Geberit PE-HD, Curva d'allacciamento 90° per WC sospeso, spostamento a sinistra, con estensione

Uso previsto
• Per l‘allacciamento di apparecchi sanitari con scarico orizzontale
• Per elementi per WC sospeso Geberit Combifix
• Per moduli Geberit Sanbloc per WC sospeso
• Per l‘installazione orizzontale
Proprietà
• Con guarnizione in EPDM
Materiale in dotazione
• Tappo di protezione
Produttore Geberit Sistema PE
2 da 2
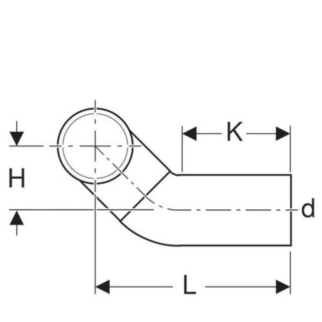
L
K