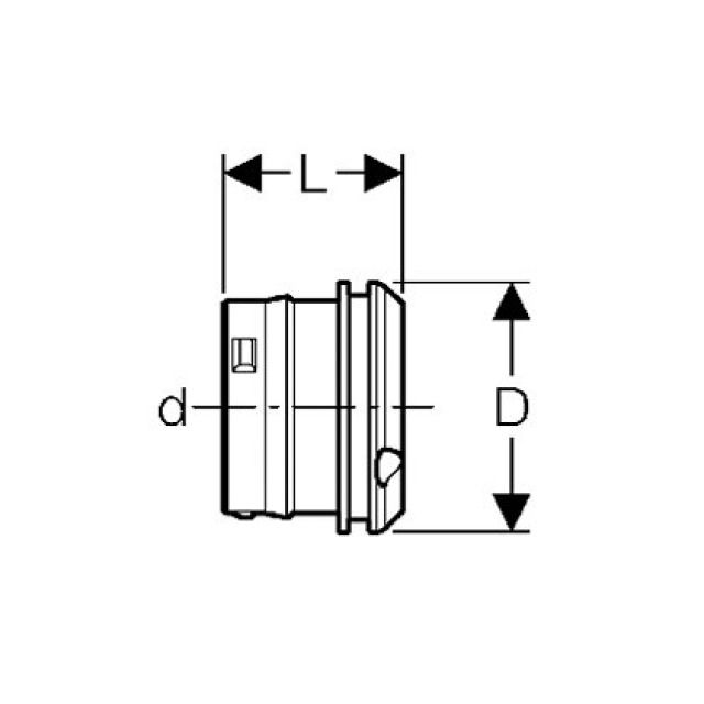
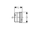
Geberit PushFit Tappo per tubo di protezione

Produttore Geberit Sistema Pushfit