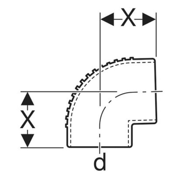
Silent-DB20 Curva 88.5°

Gomiti utilizzabili solo per la prima deviazione a valle dell'uscita sifone
Produttore Geberit Sistema Silent