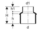
Silent-DB20 Riduzione centrica

Proprietà
• Con arresto per manicotto d‘innesto
• Centrico
Produttore Geberit Sistema Silent