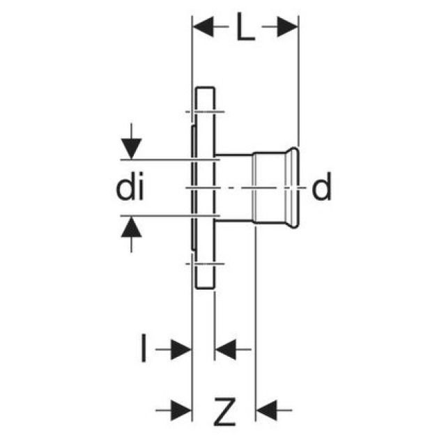
Flangia Mapress Acciaio-C PN 6, con attacco a pressare

Produttore Geberit Sistema Mapress