Geberit Mapress Flangia acciaio inox PN 10/16, con attacco a pressare

Proprietà
• Indicatore ottico di pressatura
• Perdita compromessa, se non pressato
• Guarnizione O-ring in CIIR nero
• Attacco a pressare con tappo di protezione trasparente
• Forma B1 (guarnizione di tenuta rialzata con superficie di tenuta standard), EN 1092-1
Dati tecnici
Materiale Acciaio CrNiMo 1.4401 (EN 10088)
Produttore Geberit Sistema Mapress
Trovato: 7
Voce n
Voce n
Produttore
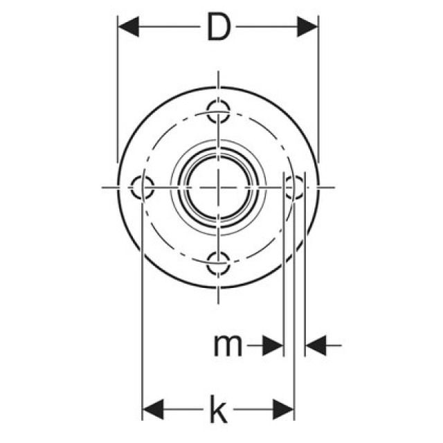
DN
PN
bar
mm
D
cm
L
cm
l
cm
d1Ø
m
k
mm
m
mm
n
PZ
7 da 7
DN
D
L
l
d1Ø
k
m
Z