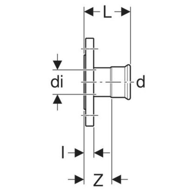
Flangia Mapress Acciaio-C PN 6, con attacco a pressare

Produttore Geberit Sistema Mapress
3 da 3
DN
L
Z
diØ
I