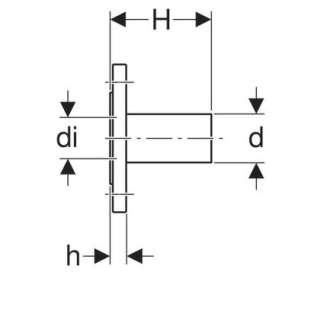
Flangia Mapress acciaio-C PN 6, con terminale maschio

Produttore Geberit Sistema Mapress
3 da 3
DN
H
diØ
h