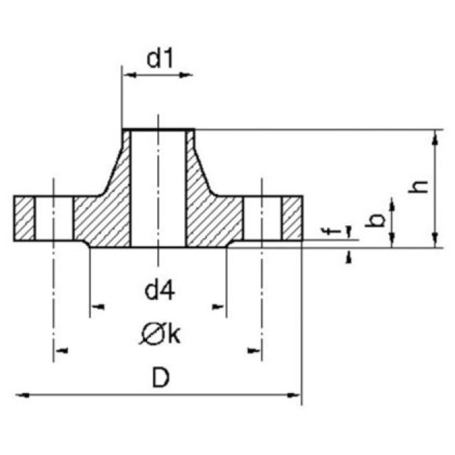
Flangia da saldare con colletto, PN40, rivestita a freddo, 2K, 3 x 60 µm = 180 µm

flangia da saldare con colletto, PN 40 secondo EN 1092-1 Tipo 11, qualità P250GH / C22.8
Trovato: 14
Voce n
Voce n
Produttore
DN
mm
Ø
mm
D
mm
h
mm
k
mm
Vite
mm
14 da 14
DN
Ø
D
h
k
Vite