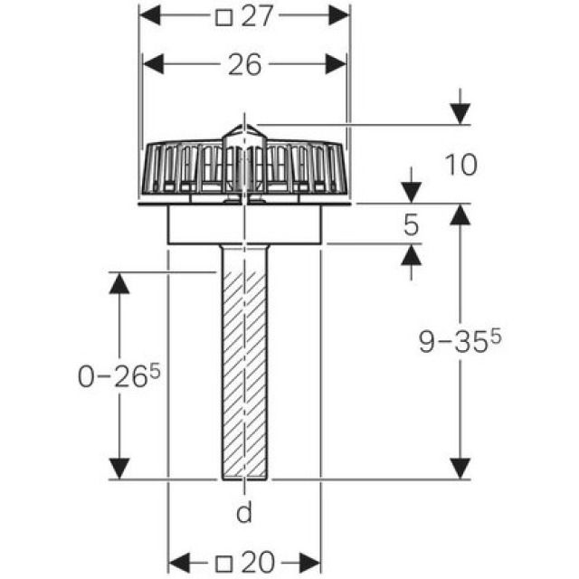
Imbuto d'entrata acqua piovana Geberit Pluvia per tetti con lamiere di collegamento per grondaia

Uso previsto
• Per la raccolta e lo scarico dell‘acqua piovana sui tetti
• Per canali di almeno 30 cm di larghezza
• Per il collegamento a materiali metallici
• Per lo scarico dell‘acqua piovana con sistema a depressione
Proprietà
• Scarico verticale
• Manicotto riducibile o allargabile direttamente
• Manicotto in PE-HD, accorciabile

Materiale in dotazione
• Parafoglie con disco di funzionamento
• Corpo base con lamiera di fissaggio in acciaio CrNi 1.4301
• Isolamento alla condensa
Produttore Geberit Sistema Pluvia
Trovato: 1
1 da 1