Geberit Set imbuto d'entrata acqua piovana per tetti con lamiere di<br>collegamento e collegamento alla barriera vapore 90mm

Uso previsto
• Per la raccolta e lo scarico dell‘acqua piovana sui tetti
• Per lo scarico dell‘acqua piovana con sistema convenzionale
• Per il collegamento di impermeabilizzazioni bituminose per tetti
• Per tetti coibentati con barriera vapore
• Per il collegamento per barriere vapore in materia sintetica o in bitume
Proprietà
• Scarico verticale
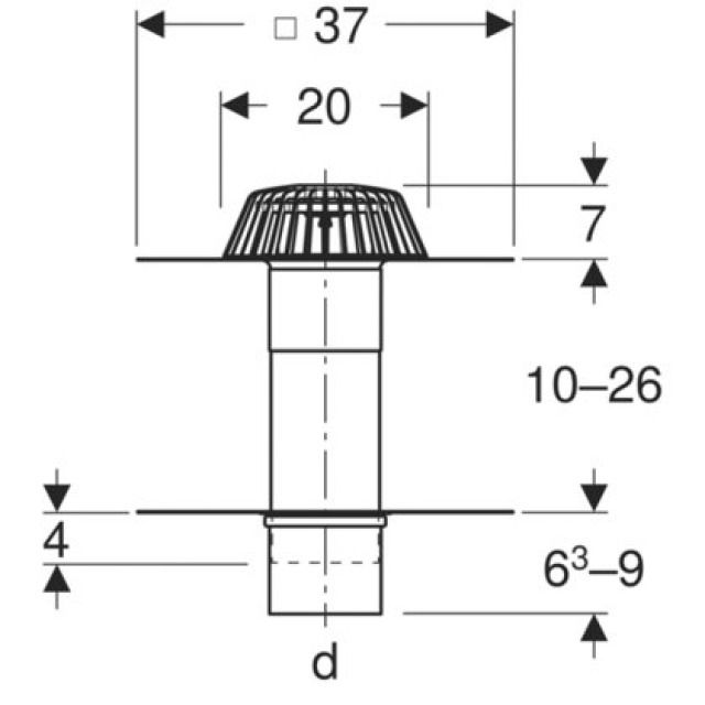
• Manicotto in acciaio CrNi 1.4301, accorciabile
Dati tecnici
Portata di scarico 5.5 l/s
Riflusso altezza massima 35 mm
Materiale in dotazione
• Parafoglie in PP
• Corpo base con lamiera di fissaggio in acciaio CrNi 1.4301
• Collegamento alla barriera vapore in acciaio CrNi 1.4301
• 2 coperchi protezione cantiere
Produttore Geberit
Trovato: 1
1 da 1