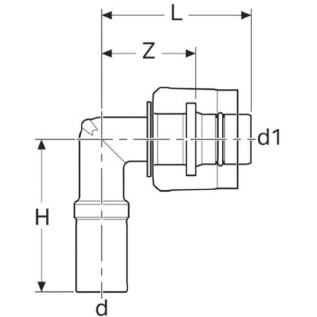
Gomito misto 90° Geberit Mapress con MasterFix ed estremità ad innesto

Destinazioni d'uso
• Per il fissaggio senza attrezzi a elementi d'installazione, placche di montaggio e collegamenti con filetto maschio MF 1/2"

Proprietà
• O-ring in EPDM
• MasterFix con cappuccio di protezione blu
Dati tecnici
Massima pressione d'esercizio 10 bar
Temperatura d'esercizio acqua 0–95 °C
Materiale Bronzo rosso (CuSn5Zn5Pb2-C)
Produttore Geberit Sistema Mapress
Trovato: 1
1 da 1