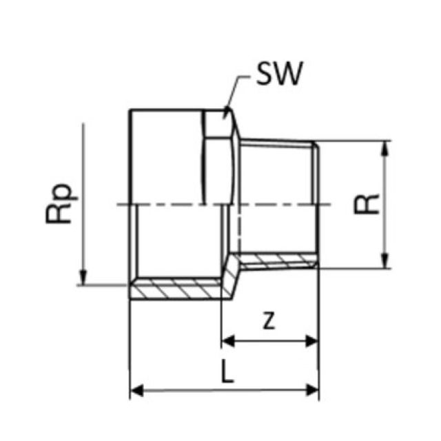
+GF+ Prolunga ridotta, 8246, bronzo al silicio

- bronzo al silicio
Produttore GF