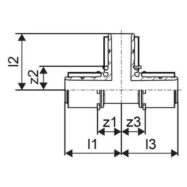
GF Uponor S-Press Raccordo T egale

Modello:
• Corpo del raccordo in PPSU
• Bussola a pressatura in acciaio inossidabile
• Raccordo a pressare
Produttore GF Sistema S-Press