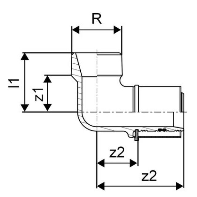
GF Uponor S-Press Gomito 90° con filettatura esterna

Modello:
• Corpo del raccordo in ottone stagnato
• Bussola a pressatura in acciaio inossidabile
• Attaccho filettatura esterna, raccordo a pressare
Produttore GF Sistema S-Press
Trovato: 1
1 da 1