GF Uponor S-Press PLUS Raccordo con filettatura interna

Modello:
• Corpo del raccordo in ottone stagnato
• Bussola a pressatura in acciaio inossidabile
• Collegamento: bocchettone staccabile con guarnizione, raccordo a pressare
Produttore GF Sistema S-Press
Trovato: 9
Voce n
Voce n
Produttore
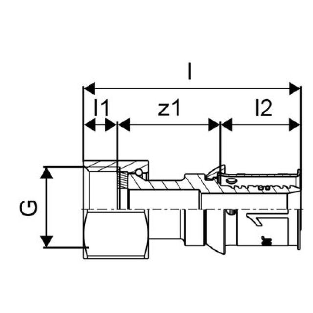
d
mm
G
"
l
mm
l1
mm
l2
mm
z1
mm
9 da 9
d
G
l
l1
l2
z1