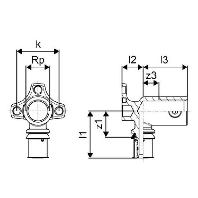
GF Uponor S-Press PLUS Gomito flangiato XL

Modello:
• Corpo del raccordo in ottone stagnato
• Bussola a pressatura in acciaio inossidabile
• Attaccho filettatura interna, raccordo a pressare
Produttore GF Sistema S-Press
2 da 2
d
l1
l2