GF Uponor RS Manicotto S-Press

Modello:
• In ottone stagnato
• Adatto a tutti gli elementi di base RS2 e RS3
Produttore GF Sistema S-Press
6 da 6
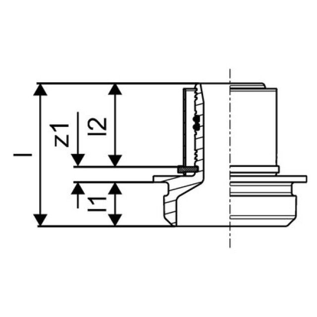
Tipo
d
l
l2
z1