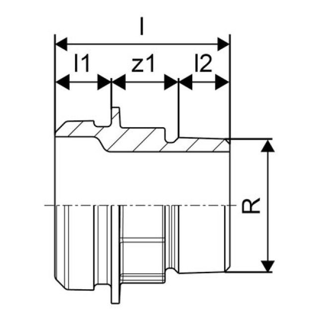
GF Uponor RS Diritto con filettatura esterna

Modello:
• In ottone stagnato
• Adatto a tutti gli elementi di base RS2 e RS3
Produttore GF Sistema S-Press
3 da 3
Tipo
l
l2
R
z1