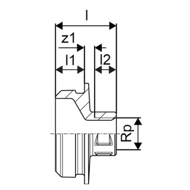
GF Uponor RS Diritto con filettatura interna

Modello:
• In ottone stagnato
• Adatto a tutti gli elementi di base RS2 e RS3
Produttore GF Sistema S-Press