GF Uponor RS Flangia

Modello:
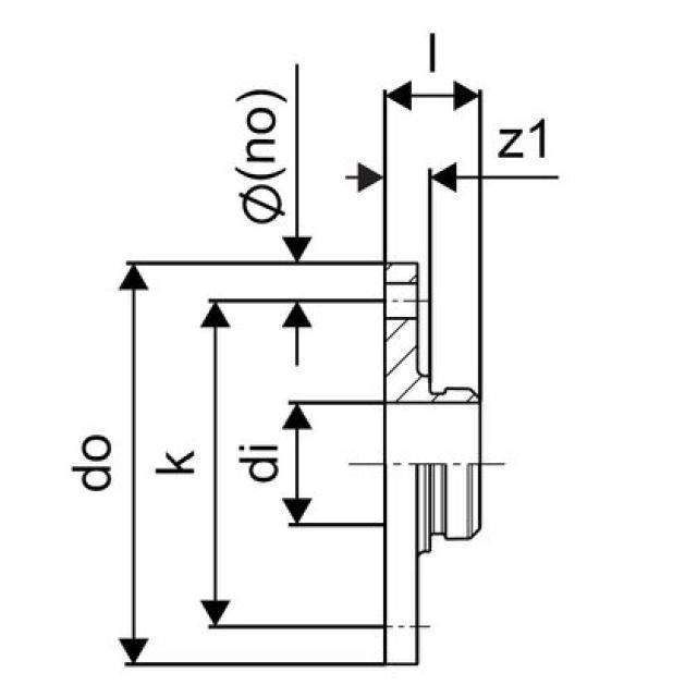
• In ottone stagnato
• Adatto a tutti gli elementi di base RS2 e RS3
• Flangia PN 6 e PN 16 in accordo con EN 1092-3
• Cerchio di bulloni con 4/8 fori
Produttore GF Sistema S-Press