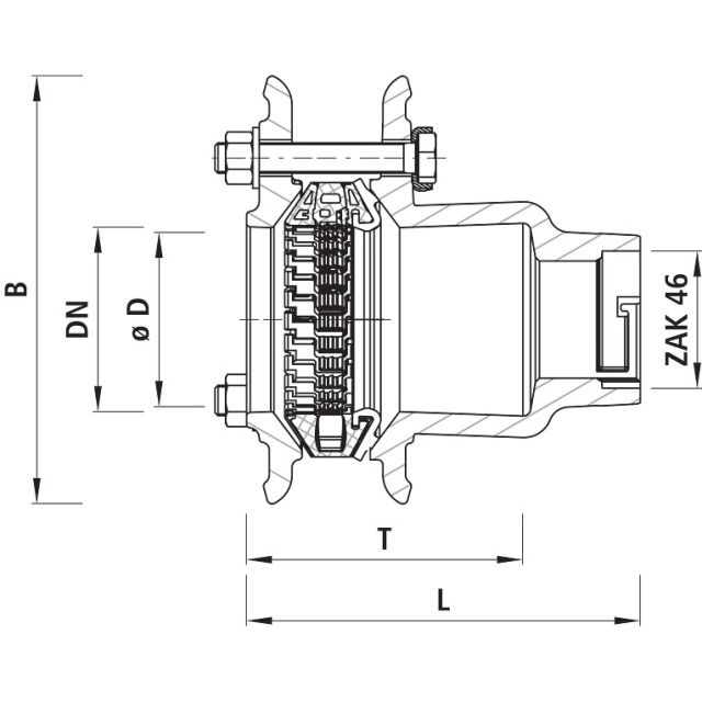
Raccordo di transizione HAWLE ZAK - Synoflex, 6162

Produttore Hawle
2 da 2
DN
D
L
B
t