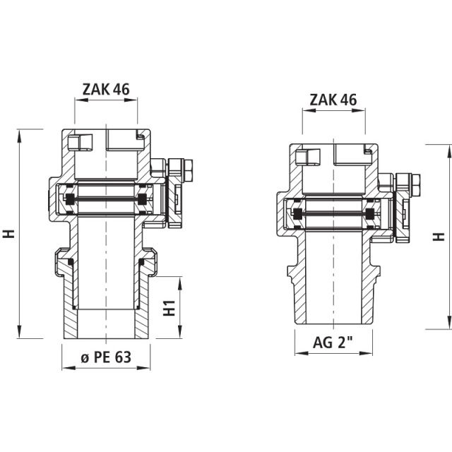
Blocco di perforazione HAWLE ZAK, 3721

Produttore Hawle
2 da 2
Tipo
Dimensione
H