GEBERIT riduzione eccentrica
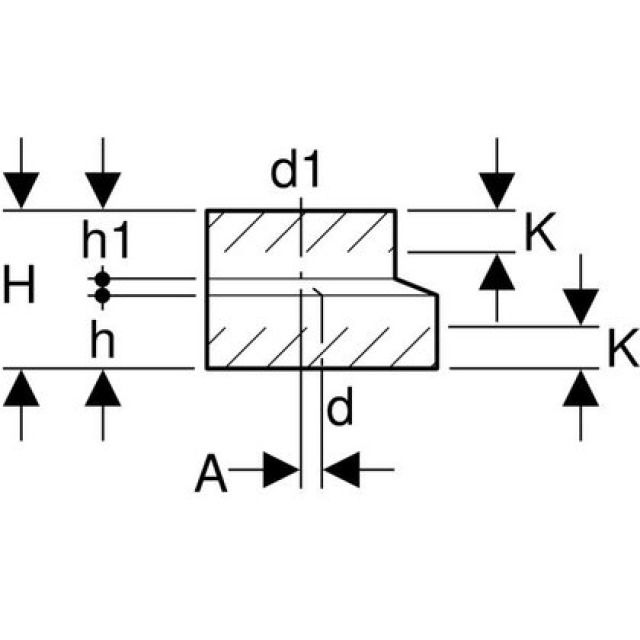
PE 366.566 d 90 - 56

La preghiamo di accedere per visualizzare il prezzo.
Articolo n138014Numero articolo del produttore366.566.16.1Numero NPK312.318
1 PZ = 0.064 kg

Capitolati

Produttore
Geberit
Sistema
PE
90 mm
d1
56 mm
H
8 cm
A
1,7 cm
h
3,7 cm
h1
3,5 cm
K
2 cm