Geberit PE-HD, Riduzione eccentrica, corta

Produttore Geberit Sistema PE
Trovato: 29
Voce n
Voce n
Produttore
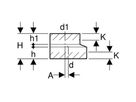
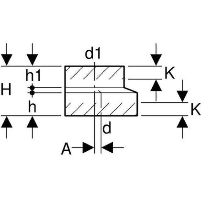
mm
d1
mm
H
cm
A
cm
h
cm
h1
cm
K
cm
29 da 29
d1
A
h
h1