GEBERIT braga doppia
367.235 d 110 - 110

La preghiamo di accedere per visualizzare il prezzo.
Articolo n138131Numero articolo del produttore367.235.16.1Numero NPK314.411
1 PZ = 0.655 kg

Capitolati

Produttore
Geberit
Sistema
PE
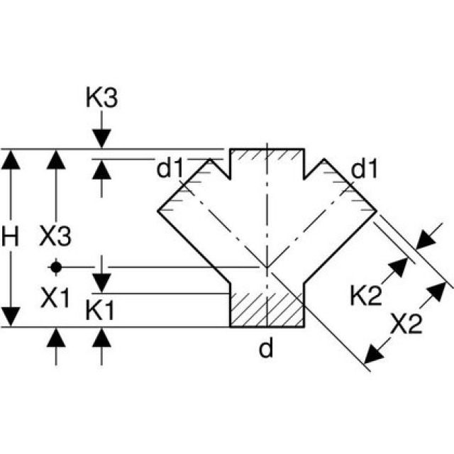
110 mm
d1
110 mm
H
27 cm
X1
9 cm
X2
18 cm
X3
18 cm
K1
5 cm
K2
1,5 cm
K3
1,5 cm