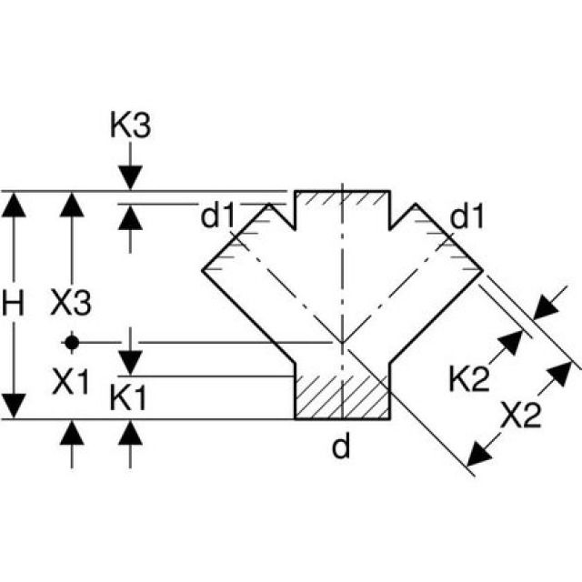
PE Braga doppia 45°

Produttore Geberit Sistema PE
Trovato: 1
1 da 1