GEBERIT braga sferica 90°
a squadra 367.330 d 110 - 90

La preghiamo di accedere per visualizzare il prezzo.
Articolo n138201Numero articolo del produttore367.330.16.1Numero NPK314.641
1 PZ = 1 kg

Capitolati

Produttore
Geberit
Sistema
PE
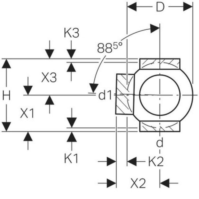
110 mm
D
17 mm
H
20 cm
X1
10 cm
X2
12 cm
X3
10 cm
d1Ø
90 mm
K1
1,5 cm
K2
1,5 cm
K3
1,5 cm