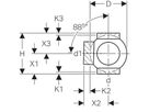
Geberit PE-HD, Braga a sfera 88.5° doppia, allacciamenti a 90° disassati

Produttore Geberit Sistema PE
Trovato: 10
Voce n
Voce n
Produttore
mm
D
mm
H
cm
X1
cm
X2
cm
X3
cm
d1Ø
mm
K1
cm
K2
cm
K3
cm
10 da 10
D
H
X1
X2
X3
d1Ø
K1
K2
K3