GEBERIT SILENT braga 88.5°
308.058 d 90 - 56

La preghiamo di accedere per visualizzare il prezzo.
Articolo n138840Numero articolo del produttore308.058.14.1Numero NPK324.255
1 PZ = 0.6 kg

Capitolati

Produttore
Geberit
Sistema
Silent
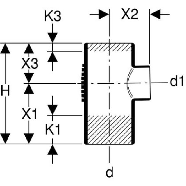
90 mm
d1
56 mm
H
20,3 cm
X1
12 cm
X2
8 cm
X3
8,3 cm
K1
6 cm
K3
2 cm