Silent-DB20 Braga 88.5°

Produttore Geberit Sistema Silent
Trovato: 18
Voce n
Voce n
Produttore
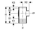
mm
d1
mm
H
cm
X1
cm
X2
cm
X3
cm
K1
cm
K3
cm
18 da 18
d1
H
X1
X2
X3
K1
K3