MPF-H codolo da innestare
e saldare 12420
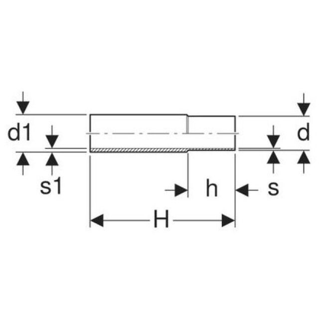
d 88.9 - 88.9

La preghiamo di accedere per visualizzare il prezzo.
Articolo n153896Numero articolo del produttore12420Numero NPK255.822
1 PZ = 0.65 kg

Capitolati

Produttore
Geberit
Sistema
Mapress
88.9 mm
H
12 cm
s
2 mm
diØ
88.9 mm
h
7.5 cm
s1
4.1 mm