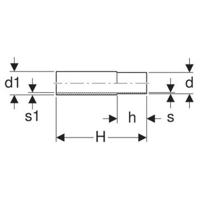
Pezzo adattatore Mapress acciaio-C con estremità ad innesto saldabile

Produttore Geberit Sistema Mapress
3 da 3
diØ
h
s1