GEBERIT colletto di fissaggio
doppio anello 370.751
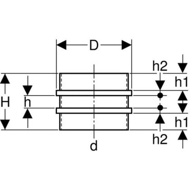
d 200

La preghiamo di accedere per visualizzare il prezzo.
Articolo n172235Numero articolo del produttore370.751.16.1Numero NPK342.534
1 PZ = 0.73 kg

Descrizione del

Verwendungszwecke
• Zur Fixpunktbefestigung von Rohren in Verbindung mit Rohrschellen

Capitolati

Produttore
Geberit
Sistema
PE
200 mm
D
21,3 cm
H
19,1 cm
h
4,1 cm
h1
6 cm
h2
1,5 cm