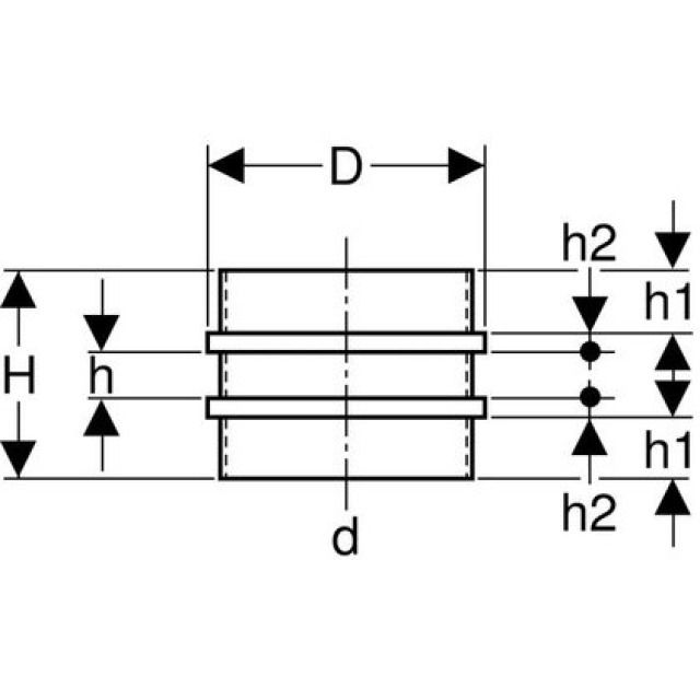
Geberit PE-HD, Colletto di fissaggio doppio

Verwendungszwecke
• Zur Fixpunktbefestigung von Rohren in Verbindung mit Rohrschellen
Produttore Geberit Sistema PE