Flangia acciaio inox
33749 PN 10/16 76 MM
con terminale maschio
La preghiamo di accedere per visualizzare il prezzo.
Disp. per il ritiro a Bioggio: 0 PZ
Articolo n292146Numero articolo del produttore33749
1 PZ = 3.42 kg
Descrizione del
Proprietà
• Privo di sostanze dannose per la vernice
• Forma B1 (guarnizione di tenuta rialzata con superficie di tenuta standard), EN 1092-1
Dati tecnici
Materiale Acciaio CrNiMo 1.4401 (EN 10088)
• Privo di sostanze dannose per la vernice
• Forma B1 (guarnizione di tenuta rialzata con superficie di tenuta standard), EN 1092-1
Dati tecnici
Materiale Acciaio CrNiMo 1.4401 (EN 10088)
Capitolati
- Produttore
- Geberit
- Sistema
- Mapress
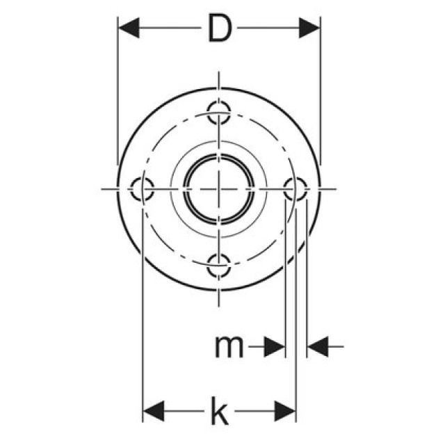
- DN
- 65
- PN
- 10/16 bar
- dØ
- 76.1 mm
- D
- 18.5 cm
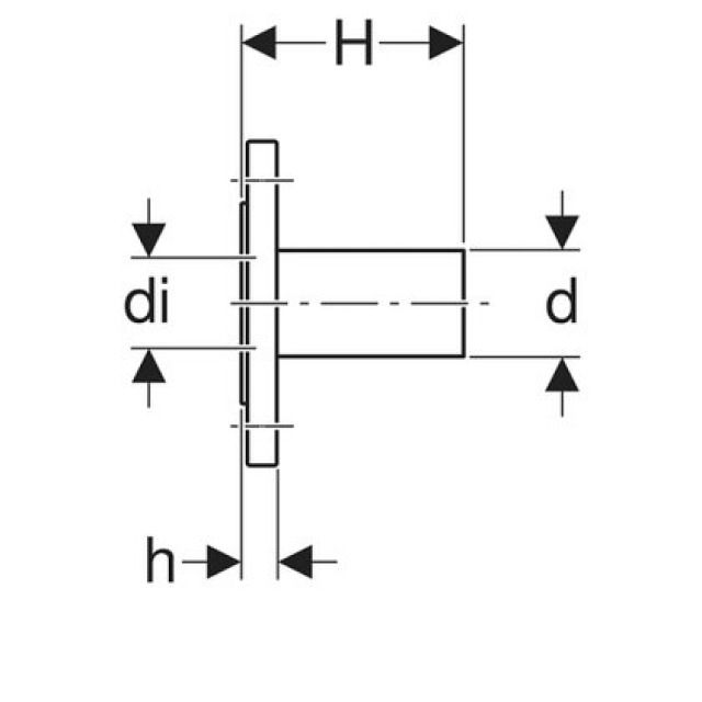
- H
- 13.6 cm
- d1Ø
- 72 mm
- h
- 1.8 cm
- k
- 145 mm
- m
- 18 mm
- n
- 4 PZ