Geberit Mapress Super Size Flangia acciaio inox PN 10/16, con terminale maschio

Proprietà
• Privo di sostanze dannose per la vernice
• Forma B1 (guarnizione di tenuta rialzata con superficie di tenuta standard), EN 1092-1
Dati tecnici
Materiale Acciaio CrNiMo 1.4401 (EN 10088)
Produttore Geberit Sistema Mapress
3 da 3
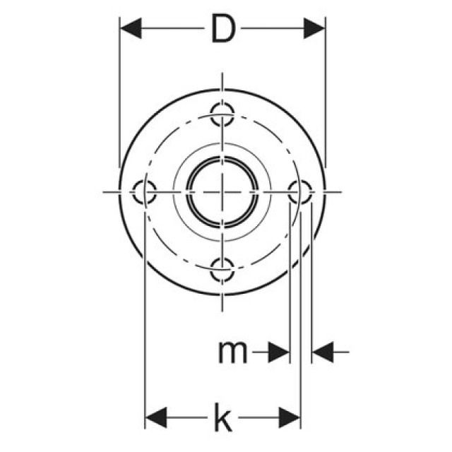
DN
D
H
d1Ø
h
k
n