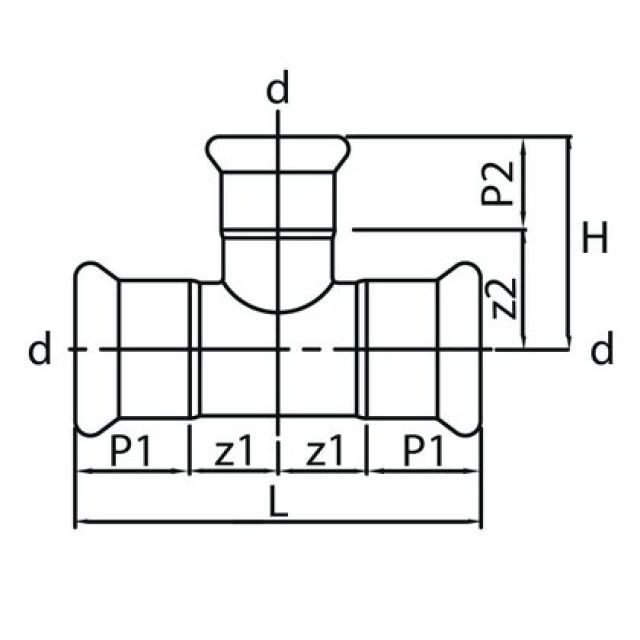
Profitec PressSteel Pezzo a T

Raccordo a pressare con guida per ganasce per contorno M
Indicatore a pressione con codifica cromatica in rosso per applicazioni con acqua di riscaldamento
Materiale: acciaio non legato 1.0308 (DIN EN 10305-2), zincato
Materiale dell'anello di tenuta: EPDM, nero
Non pressato e con perdite
Pressione massima di esercizio 16 bar
Temperatura di esercizio da -18 a 110°C
Per applicazioni di riscaldamento e raffreddamento dell'acqua con e senza antigelo
Produttore Profitec Sistema PressSteel/Mapress